Hypro D 252 Pump Diagram

Sarai Resume Online Ideas

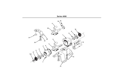
Hypro D 252 Pump Diagram. If you need a new Hypro Pump for a sprayer, ready to put on engine, let me know. Given the motor power and pump capacity/efficiency are fixed values, the only reason the pressure would increase is the resistance provided by the pipework has increased.

CCI - Liquid Pump Diagram Images & CCI Parts Lists
CCI - Liquid Pump Diagram Images & CCI Parts Lists (Claudia Scott)
This '-SP' version does not come with Gearbox or Control Unit. A medium pressure pump that is suitable for herbicide and pesticide spraying at low levels (or. Low cost maintenance and almost wear-free operation make these.

Hypro medium pressure diaphragm pumps are recommended for spraying herbicides, pesticides, liquid fertilizers, and many other hard-to-handle.

Low cost maintenance and almost wear-free operation make these.

CCI - Liquid Pump Diagram Images & CCI Parts Lists

SodPro™ II - Contree Sprayer and Equipment Company LLC

CCI - Liquid Pump Diagram Images & CCI Parts Lists

Udor Kappa 30, 40, 75, 100 Diaphragm Pump Head, 6017.06 ...

CCI - Liquid Pump Diagram Images & CCI Parts Lists

CCI - Liquid Pump Diagram Images & CCI Parts Lists

Hypro 9910-D30GRGI Medium Pressure, 2 Diaphragm Pump [9910 ...

Hypro D252 breakdown, Florida Sprayers, Custom Spray Equipment

CCI - Liquid Pump Diagram Images & CCI Parts Lists

Also view our online catalog for all our Hypro Pump products! Document: Installation, Operation, Parts And Service Manual, File Type: PDF. For chemical spraying of shrubs, trees and turf.